Home › Unlabelled ›
1995 Jeep Cherokee Fuse Box / 1995 E 150 Fuse Box Wiring Diagram Replace Star Digital Star Digital Miramontiseo It - For the jeep grand cherokee second generation 1999, 2000, 2001, 2002, 2003, 2004 model year.
1995 Jeep Cherokee Fuse Box / 1995 E 150 Fuse Box Wiring Diagram Replace Star Digital Star Digital Miramontiseo It - For the jeep grand cherokee second generation 1999, 2000, 2001, 2002, 2003, 2004 model year.. Get great deals on ebay! Power door lock (lock) relay. 4.0l, 5.2l, 5.9l и дизель 2.5l (zj м zg; I am looking for the headlight fuse for my 93 jeep wrangler. The fuse panel is on the lower instrument panel just to the left of the steering column.
Vind fantastische aanbiedingen voor 1995 cherokee jeep. Find grand cherokee ecu from a vast selection of fuses & fuse boxes. Looking to maintain the top condition of your electrical system? Open up your cherokee's fuse box, and you'll find a wide range of fuses. Jeep · 1 decade ago.
Jeep Cherokee Fuse Box 1996 Wiring Diagram Solid Ruju Solid Ruju Eugeniovazzano It from static-assets.imageservice.cloud Where is the interior fusebox located on a 1995 grand cherokee laredo? 2005 jeep grand cherokee 3.0 diesel engine fuse relay box fusebox 56050346af. If your cherokee has many options like a sunroof, navigation, heated seats, etc, the more fuses it has. Looking to maintain the top condition of your electrical system? Ezk ignition system (w/fuse tester). Fuses & fuse boxes └ car electrical components └ car parts └ vehicle parts & accessories all categories antiques art baby books, comics & magazines business, office & industrial cameras & photography cars, motorcycles & vehicles clothes the following parts fit a jeep cherokee 1995. Find grand cherokee ecu from a vast selection of fuses & fuse boxes. Hyundai equus 2016 engine compartment main panel fuse box / block circuit breaker.
Which fuses goes to the radiator fan.
1992, 1993, 1994, 1995, 1996, 1997, 1998). The relay for a 1995 jeep grand cherokee limited is the same one that controls all of the power windows. Find grand cherokee ecu from a vast selection of fuses & fuse boxes. Where can i fine the fuse for a ecm for a 1995 jeep grand cherokee 1 answer. If your jeep grand cherokee headlights or something else out of electrical system doesn't work, check the fusebox and if it is needed, make a replacement. Send me your email to email protected and i will email you the diagram. Power door lock (lock) relay. 2004 jeep grand cherokee special edition 4wd. A label is stamped on the fuse panel cover to identify each fuse for ease of replacement. We have actually collected many images, with any luck this picture is useful for you. Vind fantastische aanbiedingen voor 1995 cherokee jeep. 1995 jeep cherokee fuse box diagram. Dodge chrysler jeep fuse box fusebox relay junction unit panel p56050458aa.
Where is the interior fusebox located on a 1995 grand cherokee laredo? 1995 jeep cherokee fuse box diagram. Several electrical things quick working at once, including stereo and courtesy lights. 1992, 1993, 1994, 1995, 1996, 1997, 1998). 2005 jeep grand cherokee 3.0 diesel engine fuse relay box fusebox 56050346af.
1995 Jeep Cherokee Fuse Diagram from www.tankbig.com On some or all wj models, this fuse is also used for the ashtray light and the shifter assembly light. Get great deals on ebay! 1995 jeep cherokee fuse box diagram. Dodge chrysler jeep fuse box fusebox relay junction unit panel p56050458aa. The relay for a 1995 jeep grand cherokee limited is the same one that controls all of the power windows. Passenger compartment fuse box (right side): › see all products in tools & equipment. I am looking for the headlight fuse for my 93 jeep wrangler.
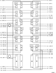
Fuse box diagram, jeep, jeep cherokee sport.
Jeep cherokee 2.5 efi (flame red) 1995. Comixology thousands of digital comics. Several electrical things quick working at once, including stereo and courtesy lights. If your jeep grand cherokee headlights or something else out of electrical system doesn't work, check the fusebox and if it is needed, make a replacement. We are ready to help you! If your cherokee has many options like a sunroof, navigation, heated seats, etc, the more fuses it has. Which fuses goes to the radiator fan. A label is stamped on the fuse panel cover to identify each fuse for ease of replacement. Box office mojo find movie box office data. 1995 jeep cherokee fuse box diagram. Where is the interior fusebox located on a 1995 grand cherokee laredo? Dodge chrysler jeep fuse box fusebox relay junction unit panel p56050458aa. Jeep · 1 decade ago.
We are ready to help you! Looking to maintain the top condition of your electrical system? Each fuse has a different function and can play a major or minor role in your car's health. Dodge chrysler jeep fuse box fusebox relay junction unit panel p56050458aa. We have actually collected many images, with any luck this picture is useful for you.
95 Xj Fuse Box 02 Type S Fuse Box 5pin Xp5 Khalifah Ustmaniah Pistadelsole It from www.carfusebox.com After looking at the kind of the wrong thread for your issue (fuse box diagram vs starting issues) but. Get great deals on ebay! Several electrical things quick working at once, including stereo and courtesy lights. On some or all wj models, this fuse is also used for the ashtray light and the shifter assembly light. Comixology thousands of digital comics. 2004 jeep grand cherokee special edition 4wd. Looking to maintain the top condition of your electrical system? I can't figure out which fuse is which.
Power door lock (lock) relay.
I'm working on a '95 cherokee, the cover on the box has a complete diagram on the underside. 2005 jeep grand cherokee 3.0 diesel engine fuse relay box fusebox 56050346af. 1992, 1993, 1994, 1995, 1996, 1997, 1998). Several electrical things quick working at once, including stereo and courtesy lights. Fuse box diagrams (location and assignment of electrical fuses and relays) jeep grand cherokee (zj; For the jeep grand cherokee second generation 1999, 2000, 2001, 2002, 2003, 2004 model year. Power door lock (lock) relay. 1995 jeep cherokee fuse box diagram. Box office mojo find movie box office data. Looking to maintain the top condition of your electrical system? The 1998 jeep grand cherokee windshield wiper fuse is located in the fuse box. A label is stamped on the fuse panel cover to identify each fuse for ease of replacement. We have actually collected many images, with any luck this picture is useful for you.